Fluorescentielamp

Dubbele U-lamp, U-lamp, T5 HE lamp en T8 lamp

Een fluorescentielamp is een lamp die licht geeft door het oplichten van een fluorescerende laag onder invloed van ultraviolette stralen die opgewekt worden door gasontlading in de lamp. De bekendste voorbeelden zijn de tl (Frans: tube luminescent, "lichtgevende buis", in de volksmond aangeduid als tl-buis of tl-lamp) en de zogenoemde spaarlampen. De lichtopbrengst in lumen per watt is 5 à 6 keer zo hoog als bij een gloeilamp.

Principe

Een glazen buis is aan de binnenzijde bedekt met een fluorescerende stof en gevuld met een van de edelgassen argon of krypton (of een mengsel hiervan) en kwikdamp onder lage druk. Tussen twee elektroden aan weerszijden van de buis vindt een gasontlading plaats, waardoor de kwikdamp ultraviolet licht gaat uitzenden. In de fluorescerende laag wordt de ultraviolette straling omgezet in zichtbaar licht.

Geschiedenis

De fluorescentielamp is in zijn huidige buisvorm in 1935 gedemonstreerd voor de Illuminating Engineering Society in Cincinnati (VS) door General Electric en op de wereldtentoonstelling van 1937 in Parijs door Osram. De toegepaste techniek bouwde voort op gasontladingslampen, zoals geconstrueerd door Heinrich Geissler in 1856, die een blauwachtige gloed in een met gas gevulde buis opwekte, aangestuurd door een inductiespoel. Nikola Tesla demonstreerde fluorescentielampen op de wereldtentoonstelling van 1893 in Chicago. In 1901 demonstreerde Peter Cooper Hewitt een kwikdamplamp, die licht van een blauwgroene kleur uitstraalde. De lamp had een buisvorm en Cooper Hewitt gebruikte reeds fluorescentiematerialen, zoals Rhodamine B. Deze lampen werden gebruikt bij fotografie, omdat ze een hoger rendement hadden dan de toenmalige gloeilampen.

In 1926 stelden Edmund Germer en zijn collega’s bij Osram de fluorescentielamp in zijn huidige vorm voor, met gloei-elektroden en een buis gecoat met fluorescentiepoeder. Een verdere bijdrage leverden M. Pirani en A. Rüttenauer bij Osram in 1932, door efficiënte emittermaterialen voor de elektroden te ontwikkelen, die gemakkelijk elektronen uit de elektroden in het gas laten ontsnappen en betere fluorescentiepoeders. In de jaren 1936 tot 1938 maakten de vooraanstaande lampfabrikanten verbeterde fosfors waardoor het rendement werd opgevoerd en door toepassing van de zogenaamde driebandfosfors werd de kleurweergave verbeterd (hoge CRI). Tegenwoordig is 110 lumen per watt haalbaar. Verder maakten de nieuw ontwikkelde fosfors compactere lampen mogelijk (buisdiameter 26 mm en kleiner).

Andere ontwikkelingen waren de introductie rond 1980 door Philips van de spaarlamp, aanvankelijk nog met ingebouwd conventioneel voorschakelapparaat, later met een lichter elektronisch voorschakelapparaat. In 1990 introduceerde Philips in Europa een elektrodeloze fluorescentielamp met een zeer lange levensduur (100.000 uur).

In de jaren 1990 werd als eerste door Philips begonnen met productie van ‘groene’[1] recyclebare fluorescentielampen. Deze bevatten aanzienlijk minder kwik dan de tot dan toe geproduceerde lampen. Ook maakte Philips in de jaren negentig de zeer dunne NDF, een koude-kathodelamp die door zijn geringe diameter zeer goed buigbaar was. Eind jaren negentig werd dit type door een tweetal medewerkers van Philips verder op de markt gebracht.

Techniek

Om de gasontlading voort te brengen zijn de elektroden uitgevoerd als gloeidraad bedekt met emitterpasta van bariumoxide. Deze pasta maakt het mogelijk dat elektronen bij matig-hoge temperatuur uit de gloeidraad ontsnappen. Bij deze temperatuur gaat de gloeidraad veel langer mee dan die in een gloeilamp, en bovendien straalt hij minder warmtestraling uit. Wanneer de ontsnapte elektronen die naar de andere kant van de buis worden versneld tegen een kwikatoom botsen, wordt dat kwikatoom in aangeslagen toestand gebracht. Als zo’n aangeslagen atoom terugvalt naar de grondtoestand wordt daarbij een foton uitgezonden. De vrijkomende fotonen hebben een energie in het ultraviolette deel van het elektromagnetische spectrum en zijn dus voor het menselijk oog onzichtbaar. Als deze hoogenergetische fotonen de fluorescentielaag aan de binnenkant van de buis raken worden de fosfors aangeslagen. Bij terugval naar de grondtoestand wordt er door deze stoffen zichtbaar licht uitgezonden. Door het mengsel van verschillende fosfors goed te kiezen, kan het geproduceerde lijnenspectrum voor het oog een wit aanzien hebben.

Elk van de fosfors straalt slechts een gedeelte van de energie van het ultravioletfoton uit als licht, de rest (het grootste deel) wordt omgezet in warmte. Om de lamp efficiënter te maken zoeken experts op het gebied van de fluorescentie fosfors die na opname van een enkel ultravioletfoton twee fotonen in het zichtbaar licht kunnen uitzenden (bijvoorbeeld één foton in rood en één in groen).[2] Een andere manier om het rendement van de fluorescentielampen op te voeren, is geen kwik, maar andere materialen in de buis te gebruiken, zoals Indium halides, die een spectrum uitzenden dat dichter bij het zichtbare licht ligt.[3] Daarbij wordt ook het voor het milieu als schadelijk beschouwde kwik geëlimineerd.

Het lichtrendement van een fluorescentielamp is ongeveer 100 lumen per watt voor lampen met een diameter van 26 mm tegenover 12 lm/W voor een grote (100 W) gloeilamp en 250lm/W voor een LED.

Starten

Twee tl-buizen, met klassieke ballast, elk met eigen starter, in serieschakeling

Een klassieke tl-buis kan niet zonder meer op het lichtnet aangesloten worden, maar vereist een aantal extra componenten in de vorm van een tl-starter bestaande uit een neon- of kwikdampbuis met twee bimetaalelektroden en een ontstoringscondensator en een smoorspoel ofwel voorschakelapparaat. Beide zijn doorgaans verwerkt in de armatuur waarin de tl-buis geplaatst moet worden.

Als er spanning op een met starter en voorschakelapparaat geschakelde tl-buis gezet wordt, komt er een stroom door het neonbuisje (niet de lamp zelf) met bimetaal. Hierdoor begint het gas te gloeien en worden de bimetaalelektroden warm en trekken tegen elkaar aan, waarmee het neonlampje kortgesloten (en dus gedoofd) wordt. Nu gaat er een grote stroom door de gloeidraden in de buis lopen. De gloeidraden dienen om de emissiepasta op te warmen. Het neonlampje in de starter koelt af en de kortsluiting wordt weer verbroken. Ten gevolge van de zelfinductie van de smoorspoel in het voorschakelapparaat ontstaat er op dat moment van uitschakelen een spanningspiek van ongeveer 1000 V die de tl-buis doet ontbranden. Eenmaal ontstoken blijft de tl-buis branden, daar de elektroden door het ionenbombardement van de gasontlading en de stroom die door de elektroden loopt op temperatuur blijven. De spanning over de starter is nu zoveel lager dat die niet meer reageert.

Ontsteekt de tl-buis niet, dan wordt het proces herhaald. Een defecte tl-buis zal het starten steeds laten herhalen (knipperen, ook wel flikkeren genoemd), wat uiteindelijk ook tot een defect voorschakelapparaat en/of starter kan leiden. Als de starter stuk is, blijft de buis aan de einden rood gloeien, en/of dan knippert de tl-buis en is ook de starter dan stuk (luie contacten) of bij elektrodebreuk doet de tl-buis niets.

Tegenwoordig worden er vaak elektronische voorschakelapparaten toegepast. Deze zijn lichter en geven een beter rendement en flikkervrije ontsteking. Zo'n apparaat zorgt zowel voor de start van de lamp als voor de stroombegrenzing van de werkende lamp, maar deze gaan wel aanzienlijk korter mee.

De lichtopbrengst is onmiddellijk na inschakelen nog niet optimaal. Gedurende de eerste paar minuten neemt de hoeveelheid licht nog sterk toe.

Soorten tl

Er is tegenwoordig een grote verscheidenheid aan tl-buizen. Allereerst zijn er de verschillende diameters. Deze worden aangegeven in veelvouden van 1/8 inch.

  • T12 is 38 mm (wordt vrijwel niet meer gebruikt, bestond in 65 W, 40 W, 20 W en 15 W),
  • T8 is 26 mm en is verkrijgbaar in 58 W, 36 W, 30 W, 18 W, 16 W en 15 W) en
  • T5 is 16 mm diameter.

T5 bestaat in de uitvoering:

  • HO high output in 80 W, 54 W, 49 W, 39 W en 24 W, geeft meer licht,
  • HE high efficiency in 35 W, 32 W, 25 W en 13 W met minder verbruik,
  • HE ECO in 32 W, 25 W en 13 W.
  • TL Mini in 13W, 8W, 6W, 4W, de 'klassieke' dunne TL buisjes.

De lengte 600 mm, 895 mm (vooral voor aquaria van 100 cm), 1200 mm of 1500 mm is afhankelijk van het lampvermogen en kan variëren tussen 2 cm/W en 4 cm/W. Er zijn ook ringvormige tl-lampen en fluorescentielampen met een U vorm met geïntegreerde starter (de zogenaamde PL lampen).

Op de lampen wordt een type aanduiding, het elektrisch vermogen en een kleurcode vermeld. De laatste code bestaat uit 3 cijfers, waarvan het eerste de zogenaamde kleurweergave-index weergeeft, en de laatste 2 cijfers de kleurtemperatuur. Code 840 betekent kleurweergave index tussen 80 en 89 (hetgeen goed is, 100 is maximaal), en kleurtemperatuur 4000 K (wit licht).

Daarnaast onderscheiden de lampen zich door verschillen in levensduur. Vrijwel alle moderne lampen houden minimaal 90 % van hun lichtopbrengst tot einde levensduur, doordat speciale materialen worden toegevoegd die degradatie van de fluorescerende lagen tegengaan. De levensduur wordt dan bepaald door het moment dat de lampelektroden hun emissiemateriaal hebben verloren. Levensduur kan variëren van 10 000 tot 60 000 uur voor speciale typen. Er zijn zelfs fabrikanten die zich specialiseren in Long Life verlichting, voor deze typen tl's kan een levensduur bereikt worden van 84 000 uur. Binnen deze levensduur behouden ze eveneens minimaal 90% lichtstroom en hebben slechts 10% technische uitval.

Er zijn ook fabrikanten die speciaal voor aquaria tl-buizen maken met de kleuren die in aquaria gewenst zijn, de namen daar zijn als voorbeeld: Gro-Lux en Aquastar van Sylvania.

Verder bestaan er allerlei speciale lampen, zoals lampen met een lichtvenster, speciale kleuren, lampen voor zonnebanken en lampen voor afwijkende temperaturen (thermo lampen). In HACCP omgevingen worden vaak lampen met beschermfolie (protector lampen) toegepast. Voor stoffige omgevingen bestaan er zelfs lampen met een ingebouwde reflector zodat de lichtstroom behouden blijft (reflector lampen).

Echt afwijkend is de cold cathode fluorescent lamp welke zowel een lange levensduur alsook een hoge lichtopbrengst heeft. Het goed buigbaar zijn zorgt ervoor dat het in diverse toepassingen gebruikt wordt, zoals backlighting van lcd-schermen en in verlichtingsunits van auto’s.

Doordat deze lamp een diameter van 2,4 tot 6,2 mm heeft, komt men deze lamp niet zo snel in conventionele verlichtingstechniek tegen.

Kleurcodes

Philips

Oude kleurcode Nieuwe kleurcode Kleur Kleurweergave
29530warm witslecht
35535neutraal witslecht
33640koel witmatig
25740standaard witredelijk
54765koel daglichtredelijk
827extra warm witgoed
830warm witgoed
835neutraal witgoed
840koel witgoed
865koel daglichtgoed
930warm witzeer goed
940koel witzeer goed
950daglichtzeer goed
965koel daglichtzeer goed
15roodn.v.t.
16geeln.v.t.
17groenn.v.t.
18blauwn.v.t.

In onbruik geraakte verouderde kleuren op basis van halofosfaten:

Oude kleurcode Nieuwe kleurcode Kleur Kleurweergave
27927extra warm witzeer goed
32830warm witgoed
34840koel witgoed
47950daglicht / Graphicazeer goed
55962kleurbeoordelingzeer goed
57975koel daglichtzeer goed
38940koel witzeer goed
55965koel daglicht / Graphicazeer goed

Osram

Oude kleurcode Nieuwe kleurcode Kleur Kleurweergave
30530warm witslecht
23535neutraal witslecht
20640koel witmatig
25740standaard witredelijk
10765koel daglichtredelijk
41827 "Interna"extra warm witgoed
31830warm witgoed
26835neutraal witgoed
21840koel witgoed
11860koel daglichtgoed
880"Sky-White"goed
32930warm witzeer goed
22940koel witzeer goed
12950daglichtzeer goed
965koel daglichtzeer goed
60roodn.v.t.
62geeln.v.t.
66groenn.v.t.
67blauwn.v.t.

Bijzonderheden

Tl-buis met klassieke ballast

Een tl-armatuur gedraagt zich niet als een ohmse weerstand. Door de aanwezigheid van het voorschakelapparaat (een flinke spoel) is de schakeling sterk inductief. Dit inductieve karakter kan door middel van een condensator gecompenseerd worden.

Het voorschakelapparaat is nodig om de netspanning op de tl-buis omlaag te brengen, de brandspanning van tl-buizen is namelijk lager dan de spanning van het lichtnet. Door als voorschakelapparaat een spoel te gebruiken in plaats van een weerstand wordt door de faseverschuiving tussen de spanning en de stroom, veel minder te reduceren spanning omgezet in warmte dan in een zuivere weerstand. Bovendien: als bij een tl-armatuur de stroom toeneemt dan neemt door de serieschakeling van de buis met de smoorspoel de spanning over de tl-buis af. Er wordt een evenwichtssituatie bereikt. Dit is vergelijkbaar met het effect van de toename van stroom door een normale weerstand, waarbij dan de elektrische spanning over de weerstand evenredig hoger wordt, en de spanning over de tl-buis dus ook afneemt.

Bovenstaande geldt niet voor een elektronisch voorschakelapparaat. Een speciale schakeling aan de ingang van dat voorschakelapparaat zorgt ervoor dat het armatuur zich als een weerstand gedraagt (dus geen faseverschuiving tussen stroom en spanning en de stroom ook bij benadering sinusvormig). Een armatuur neemt dan bijvoorbeeld bij een lamp van 36 watt, 36 watt uit het lichtnet op met een arbeidsfactor van bijvoorbeeld 0,98. Meestal wordt het vermogen en dus ook de lichtopbrengst gestabiliseerd. Dit betekent dat bij toenemende ingangsspanning de ingangsstroom daalt. Het hoogfrequent vermogen voor een fluorescentielamp om even veel licht te geven als met een conventioneel voorschakelapparaat is 10 % lager, omdat de omzetting van elektrisch vermogen naar ultraviolette straling bij hoge frequenties een hoger rendement heeft. Bij een conventioneel voorschakelapparaat gaat al snel 15 tot 20 % van het vermogen verloren in de smoorspoel, bij een elektronisch voorschakelapparaat is dat slechts 4 tot 10%. Dit betekent dat met een elektronisch voorschakelapparaat 5 tot 16 % minder vermogen nodig is bij eenzelfde stroom. Gecombineerd met de winst van de hoogfrequente sturing resulteert dit in een daling van het elektriciteitsverbruik van 6 tot 24% voor een gelijke lichtopbrengst.

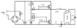
Elektronisch voorschakelapparaat

Schema van een elektronisch voorschakelapparaat

Een elektronisch voorschakelapparaat voedt een fluorescentielamp met een relatief hoge frequentie, in het algemeen tussen 20 en 100 kHz. De lamp ontsteekt dan zonder flikkeren. Ze worden vaak gebruikt in spaarlampen. Elektronische voorschakelapparaten hebben minder verliezen dan conventionele voorschakelapparaten, waardoor het rendement toeneemt (minder vermogensopname bij dezelfde lichtopbrengst). Ook de levensduur van de lamp is groter. Een ander voordeel is dat er geen noemenswaardige lichtvariaties, meestal aangeduid als lichtflikker, optreden. Daardoor worden stroboscopische effecten voorkomen die in sommige situaties optreden bij tl-buizen die gevoed worden door een conventioneel voorschakelapparaat. De voorschakelapparaten zijn licht en hebben een lange, slanke vorm, waardoor zeer compacte armaturen gebouwd kunnen worden. Het nadeel is wel dat deze voorschakelapparaten veel gevoeliger zijn voor spanningspieken (bijvoorbeeld bij bliksem) en een kortere levensduur hebben. Ook is de aanschafprijs hoger.

Koude-kathodefluorescentielamp

Bij het lamptype CCFL zitten er geen gloeidraden aan de uiteinden van de buislamp. Minder warmteontwikkeling geeft een beter rendement en een langere levensduur. Het buisje kan dunner uitgevoerd worden. Een nadeel is dat dit type meer spanning nodig heeft om te ontsteken. Een speciaal voorschakelapparaat (inverter) voedt de lamp.

De inverter is een elektronische schakeling die een wisselspanning met hoge frequentie opwekt. Deze wisselspanning wordt door een transformator omhoog getransformeerd.

Inductielamp

Een bijzondere uitvoeringsvorm van een fluorescentielamp is de elektrodeloze inductielamp. De energie wordt dan door middel van magnetische inductie in het gas gebracht. Door het ontbreken van elektroden, die bij de gewone fluorescentielampen de levensduur van ongeveer 15 000 uur behalen, kunnen deze lampen een levensduur van meer dan 100 000 uur bereiken. Daar staat wel een zeer hoge aanschafprijs tegenover. De lampen worden toegepast op locaties waar de vervangingskosten hoog zijn.

Stroboscopisch effect

Zie Stroboscoop voor het hoofdartikel over dit onderwerp.

Een fluorescentielamp geeft geen constant licht, maar gaat snel (een gewone fluorescentielamp ongeveer 100 keer per seconde) aan en uit, zo snel dat het menselijk oog het niet waarneemt. Dit kan stroboscopische effecten veroorzaken, waarbij dingen lijken stil te staan die in werkelijkheid snel bewegen. Soms kan dit gevaar opleveren. Als bijvoorbeeld een ronddraaiend mes met precies hetzelfde toerental draait als de knipperfrequentie van het licht, wordt het steeds in dezelfde stand belicht en ontstaat de illusie dat het mes stilstaat. Dit kan tot ernstige ongelukken leiden.

Vervanging door led

Schema aangegeven door Philips
Schema ledbuis met één blauwe ring aan het lichtnet. Lamp moet wel geschikt zijn!!

Tegenwoordig worden er ledbuizen verkocht die in het armatuur van een tl-passen. Er zijn daarbij echter enkele aanpassingen nodig.

De ledbuis heeft, net als een tl-buis, twee contactpennen aan elk uiteinde. Het lichtgevende element is aangesloten aan het ene uiteinde, de pennen aan het andere uiteinde zijn direct met elkaar verbonden.

In het tl-armatuur moet de starter kortgesloten worden. Ledbuizen worden daarom vaak geleverd met een “starter” die in werkelijkheid alleen een doorverbinding is. Het voorschakelapparaat is niet meer nodig. Het kan blijven zitten maar gebruikt dan nog steeds energie. Het is dan ook beter het voorschakelapparaat te verwijderen.

Het is ook mogelijk, en eigenlijk eenvoudiger, om de voeding direct op het ene uiteinde van de buis aan te sluiten. In dat geval moet er echter op worden gelet dat de buis niet verkeerdom wordt gemonteerd.

Zie ook

Zie de categorie Fluorescent lamps van Wikimedia Commons voor mediabestanden over dit onderwerp.