Stroomtransformator

Stroomtransformatoren worden ook wel CT's genaamd naar hun Engelse naam Current Transformers. Het zijn transformatoren die een meestal grote primaire stroom omzetten naar een maal kleinere secundaire stroom in een galvanisch gescheiden secundaire wikkeling.
Werking van de stroomtransformator

Een stroomtransformator heeft net als iedere andere transformator een primaire wikkeling, een secundaire wikkeling en een magnetiseerbare kern. Bij de venstertype- en de doorvoeringtype-CT's bestaat de primaire wikkeling uit één draad of staaf die door de magnetische kern gestoken wordt, wat beschouwd kan worden als één winding. Terwijl men bij een gewone spanningstransformator ervan uitgaat dat op de primaire wikkeling een bepaalde spanning wordt aangelegd, beschouwt men bij een stroomtransformator de situatie dat door de primaire wikkeling een bepaalde stroom vloeit. De primaire stroom zal de kern magnetiseren en in de secundaire keten een stroom induceren. Op een kleine foutstroom na vloeit deze stroom door de aangesloten belasting , waardoor daarover een spanning komt te staan. Deze spanning kan bij grote waarden van de belasting, of bij open secundaire aansluitingen, zeer hoge waarden aannemen, die de transformator beschadigen kunnen. Een stroomtransformator is onbelast als de secundaire wikkeling is kortgesloten. De stroom die dan door de secundaire wikkeling vloeit is inductief en ontwikkelt in het ideale geval geen vermogen. Als meettransformator zal men daarom de belastingsweerstand zo klein mogelijk kiezen.
De foutstroom bestaat voor het grootste deel uit een zuiver inductieve component, de magnetisatiestroom , die afgelezen kan worden op de magnetisatiecurve, en een resistieve component , die de ijzerverliezen weergeeft. De magnetisatiestroom is evenredig aan de veldsterkte .
De koperverliezen worden voorgesteld door een weerstand .
Algemene eigenschappen van stroomtransformatoren
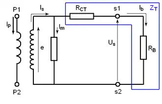
Zoals de naam het reeds beschrijft transformeren ze stroom. Als door de primaire wikkeling P1-P2 (vroeger K-L) een stroom vloeit zal aan de secundaire zijde s1-s2 (vroeger k-l) een stroom vloeien die maal kleiner is. Bij HS-netten dienen ze eveneens om het HS-net te scheiden van het meetnet.
Primaire stroom Ip
De primaire stroom van de CT is volgens IEC 61869-2, voorheen IEC 60044-1 gestandaardiseerd in een decadische reeks 1 - 1,25 - 1,5 - 2 - 2,5 - 3 - 4 - 5 - 6 - 7,5. Voor een bepaalde installatie moet de CT dan ook zo gekozen worden dat zijn nominale primaire stroom minstens even groot is als de stroom die erdoor zal vloeien. Indien de stroom groter is dan waarvoor de CT geschikt is, zal hij te veel opwarmen en de isolatie vroegtijdig verouderen en doorslaan.
Secundaire stroom Is
De secundaire stromen zijn sterk beperkt door de norm en zijn normaal 0,5, 1, 2 of 5 ampère.
Overzetverhouding
De eerste belangrijke eigenschap van de stroomtransformator is dus een overzetverhouding , die gelijk is aan de verhouding van het aantal secundaire wikkelingen of windingen en het aantal primaire wikkelingen. Merk op dat het zeer vaak een ringkerntransformator betreft, waarbij de primaire wikkeling slechts de geleider is die door de ring gaat. Dat is dus primair één winding. In de praktijk zal de secundaire stroom door inwendige verliezen steeds iets kleiner zijn dan berekend, en past men ratio-turn-correction toe of in gewoon Nederlands, men vermindert het aantal secundaire windingen zodat bij nominale belasting de secundaire stroom binnen de tolerantiegrenzen valt.
De inwendige secundaire weerstand
De inwendige secundaire weerstand is de secundaire wikkelingsweerstand van de CT bij een temperatuur van 75°C. Deze waarde hangt af van de lengte van de draad (kernafmeting en het aantal secundaire windingen) en de draadsectie volgens de wet van Pouillet. Hoe kleiner hoe beter de stroombron.
Nauwkeurigheid


De nauwkeurigheid van een CT wordt gegeven door de "klasse" van de CT. Die klasse-indeling hangt echter af van de soort en is verschillend gedefinieerd voor een meet- of protectie-CT. Uiteraard hebben ze allebei een primaire stroom , een secundaire stroom en een overzetverhouding . Uit deze 3 parameters kunnen wel enkele begrippen gedefinieerd worden die belangrijk zijn voor de nauwkeurigheid.
- De primaire stroomvector .
- De secundaire stroomvector wordt hier groter voorgesteld. Indien de fout 0 is zou gelijk moeten zijn aan .
- De totale foutvector (composite error) kan gezien worden als de samenstelling van:
- Een amplitudefout (ratio error), uitgedrukt in % en
- Een hoekfout (angle error), uitgedrukt in hoek-seconden
Voor protectie-CT's is de hoekfout nooit afzonderlijk gemeten en wordt enkel de totale fout in % gemeten.
Belasting
Een spanningstransformator is onbelast bij open secundaire keten; hij gedraagt zich immers als een spanningsbron.
Een stroomtransformator werkt net andersom en is onbelast bij kortgesloten secundaire kring. Sterker nog, bij het openen van de secundaire zal de transformator zoveel spanning trachten op te wekken zodat de secundaire stroom gelijk blijft aan ; zoveel spanning dat de isolatie van de transformator doorslaat en hij onherroepelijk beschadigd wordt.
De nominale belasting van een stroomtransformator is ; uitgedrukt in VA. De juiste weerstandswaarde van die belasting kan snel gevonden worden met de formule . Meettransformatoren worden best belast met de nominale belasting tot 1/4 van de nominale belasting omdat de meettransformator met die belastingen geijkt is.
Vermogen van de stroomtransformator in VA
Het vermogen dat een stroomtransformator kan leveren is afhankelijk van het aantal wikkelingen en van de kernafmetingen.
Nut van een stroomtransformator
Stroomtransformatoren worden ingezet voor het meten van hoge stromen. Als we bijvoorbeeld een stroom van 1000 ampère willen meten met een draaispoelmeter, dan zullen we de stroom eerst 200-maal omlaag moeten transformeren. Daarvoor is dus een stroomtransformator nodig. Er zijn grofweg twee verschillende groepen van stroomtransformatoren:
- Protectie- of beveiligingsstroomtransformatoren
- Meetstroomtransformatoren
Aan deze twee soorten stroomtransformatoren worden verschillende eisen gesteld en daarom worden ze dan ook verschillend gedefinieerd volgens de norm (IEC 60044-1).
Protectie-CT's

- Zijn bedoeld om de installatie te beveiligen tegen overstroom of kortsluiting en hun nuttig werkingsgebied is daarom tussen en de kortsluitstroom die ettelijke malen bedraagt.
- Zij zijn niet zeer nauwkeurig bij kleine stromen () maar mogen tijdens een kortsluiting niet in verzadiging gaan. Daarom wordt hun nauwkeurigheid beschreven met een overstroomcijfer en een nauwkeurigheidslimietfactor ALF (Accuracy Limit Factor).
- Zij worden dus aangesloten op een of meer protectierelais
- Naargelang de toepassing worden ze op een andere manier beschreven
- De standaard protectie-CT's klasse "P" die enkel beschreven worden door hun AC gedrag in IEC 60044-1
- Klasse PX CT's worden beschreven door de ligging van het kniepunt en hun secundaire wikkelingsweerstand .
- Klasse PR CT's worden beschreven zoals de PX CT's maar zij hebben een lage remanentie, kleiner dan 10%. Bij een DC-offset zoals bij inschakelstromen kan de klasse PX stroomtransformator door het remanente magnetisme snel in verzadiging gaan. Bij een klasse PR stroomtransformator bestaat dit risico niet.
- De CT's voor weergave van transiënt gedrag klasse "TP" worden beschreven door hun belasting , tijdsconstante en hun overstroomcijfer . Deze gelineariseerde CT's hebben luchtspleten in de kern om een zeer hoge verzadigingsspanning te bereiken.
vb. Een CT van klasse 5P10 heeft bij 10 keer de nominale stroom een maximale fout van 5% en bij nominale stroom maximaal 1%.
Een CT van klasse 10P15 heeft bij 15 keer de nominale stroom een maximale fout van 10% en bij nominale stroom maximaal 3%.
Meet-CT's


- Zijn bedoeld om nauwkeurig de stroom te meten in het normale werkingsgebied van de installatie (van 0 tot ) en moeten in dit gebied dan ook zeer nauwkeurig zijn.
- Meet-CT's worden dan ook gebruikt voor de meting van het vermogen of het verbruik, die voor facturatie van de stroom gebruikt worden. Van hun nauwkeurigheid hangt vaak veel geld af.
- Uit veiligheid voor de meetinstrumenten die door de meet-CT gevoed worden is het wenselijk dat bij een kortsluiting in het net de CT in verzadiging gaat en niet de volledige kortsluitstroom in de meetinstrumenten stuurt. Dit wordt beschreven door de Instrument Security Factor SF. Het dilemma is natuurlijk om bij In (en ) nog zeer nauwkeurig te kunnen meten, maar bij bijvoorbeeld reeds in verzadiging te zijn.
- De nauwkeurigheid van een meet-CT wordt gegeven door de nauwkeurigheidsklasse die de amplitudefout geeft bij . We onderscheiden de klasse 0,2, 0,5, 1, 3 en 5. Bij de klasse 3 en 5 is geen hoekfout gespecificeerd door de norm.

- De nauwkeurigheid moet binnen de opgegeven tolerantiegrenzen liggen bij nominale belasting en bij 1/4 belasting. Een onbelaste meet-CT is bijgevolg niet nauwkeurig.
Verzadiging van de kern
Het kniepunt
Op de BH-karakteristiek of magnetisatiecurve van de kern zien we duidelijk een verzadigingspunt of kniepunt. Het is het punt waar volgens IEC een toename van 50% van de magnetisatiestroom slechts 10% toename van secundaire klemspanning geeft. Hierdoor zal de magnetisatiestroom sterk toenemen en dus het uitgangssignaal vervormd worden.
Meet-CT's
Meet-CT's hebben een grote nauwkeurigheid dus een kleine magnetisatiestroom wat gerealiseerd wordt door een zeer kleine μ-waarde van het magnetisch kernblik. Ter beveiliging van de meetinstrumenten bij foutstromen in het net mag de secundaire stroom boven 120% van de nominale stroom begrensd worden. Begrenzen wil zeggen dat de foutstroom of magnetisatiestroom sterk mag toenemen. Inderdaad worden meet-CT's vlak onder hun kniepunt gebruikt, zodat ze tot 120% van de stroom in het lineaire gebied meten en eenmaal daarboven mag de foutstroom toenemen om minder stroom in de belasting (meettoestel) te sturen. Een hoge nauwkeurigheid bij 120% van de nominale stroom, en anderzijds reeds sterke verzadiging bij enkele malen de nominale stroom, maakt een speciaal en duur kernmateriaal nodig: ook wel mu-metaal genoemd. Een FS5 of Instrument Security Factor 5 betekent dat bij 5 maal de nominale stroom de foutstroom minstens 10% bedraagt.
Protectie-CT's
Protectie-CT's daarentegen hebben vooral een hoge verzadigingsspanning om juist in foutsituaties de stroom nog redelijk nauwkeurig te kunnen meten. Het is immers zeer belangrijk dat protectierelais nog steeds het verschil kunnen zien tussen een foutsituatie en een inrush of inschakelverschijnsel. Bij inschakelen van een transformator zal de stroom een DC-component bevatten, waardoor de flux in de kern steeds maar toeneemt. Enkel bij nuldoorgangen neemt de flux weer wat af. Als de tijdsconstante van dit overgangsverschijnsel groot is, zal de stroomtransformator ook in verzadiging komen. Het normale werkingspunt van de CT moet dus vele malen lager liggen dan het kniepunt. Volgens de klasse-P-specificatie is dit de ALF. De protectie-CT's hebben dan ook een hoge verzadigingsspanning en dus een grote kerndoorsnede wat resulteert in hun aanzienlijke gewicht. Wegens de DC-component moet de ALF een stuk hoger gekozen worden dan de verhouding kortsluitstroom/nominale stroom.
Specificatie
De ligging van het kniepunt kan op verschillende manieren worden opgegeven:
- Bij een 5P20 CT ligt het kniepunt bij 20 maal de nominale stroom als de CT nominaal belast wordt. Een CT met kenmerken 800/1A 5P20 15VA, bijvoorbeeld, is nominaal belast met 15Ω. Bij nominale uitgangsstroom 1A zal de secundaire klemspanning 15V bedragen. Bij 20 maal nominale stroom zal de secundaire klemspanning dus 300V bedragen. Aangezien de secundaire wikkelingsweerstand niet gekend is zal de opgewekte secundaire spanning en dus ook het kniepunt iets hoger zijn namelijk .
- Bij een CT's van klasse PX, PR en klasse TP wordt de minimale kniepuntspanning en de maximale magnetisatiestroom bij die kniepuntspanning opgegeven.
Omrekening van klasse-PX naar klasse-P
Volgens klasse PX heeft een stroomtransformator 2000/1A met een kniepunt bij V en magnetisatiestroom van 50mA met een secundaire weerstand RCT van 5 ohm volgende eigenschappen:
- Als de CT belast wordt met 25 ohm (laten we veronderstellen dat dit de nominale belasting is) is:
- de CT belasting 25VA bij nominale stroom
- de totale secundaire weerstand 30 ohm
- de opgewekte secundaire spanning 30 volt waarvan 25V over de belasting en 5V over de interne weerstand ;
- het kniepunt van de CT ligt 20 x hoger dan de 30 volt bij nominale belasting en nominale stroom. In klasse-P-termen wil dit zeggen dat de ALF 20 bedraagt.
- Bij het kniepunt bedraagt de foutstroom 50mA en de secundaire stroom A. Er gaat dus slechts 19,95A naar de belasting en de fout bedraagt dus slechts 0,25% en dus voldoet de CT ruimschoots aan de klasse 5P20, waarvoor de fout bij het kniepunt 5% mag bedragen.
- Bij nominale stroom bedraagt de foutstroom minder dan 50mA/ALF of minder dan 2,5mA wat beter is dan 0,25% en dus ook hier voldoet aan de klasse 5P20.
- de CT voldoet dus aan de klasse 5P20 met een vermogen van 25VA.
- In de klasse 5P30 is het vermogen slechts 15VA omdat de kniepuntspanning bij 30A ook 600V moet geven is slechts 15Ω.
Een multi-ratiostroomtransformator
Stroomtransformatoren met meerdere secundaire aftakkingen worden ook wel multi-ratio-CT's genoemd. Er mag in elk geval slechts één overzetverhouding aangesloten worden. Standaard zijn de gespecificeerde eigenschappen van de stroomtransformator (vermogen, nauwkeurigheid) steeds bij de grootste overzetverhouding. Bij lagere primaire stromen is de flux in de kern lager en moet de secundaire tegenflux eveneens lager zijn. Hiervoor moet de stroomtransformator dus minder secundaire spanning opwekken zodat het kniepunt lager komt te liggen. Om het kniepunt te bereiken met een lager aantal secundaire wikkelingen moet de magnetisatiestroom dus verhoogd worden, waardoor de nauwkeurigheid bij de lagere overzetverhouding afneemt. Aangezien de opgewekte secundaire spanning afneemt bij gelijke secundaire stroom, moet de belastingsweerstand eveneens afnemen. Dit betekent dat het vermogen van de stroomtransformator in lagere overzetverhoudingen eveneens afneemt. Bij een multi-ratio-CT met halve primaire stroom zal:
- het aantal secundaire wikkelingen gehalveerd worden om dezelfde secundaire stroom te krijgen
- de wikkelingsweerstand eveneens halveren
- de kniepuntspanning eveneens halveren
- de magnetisatiestroom verdubbeld worden, en dus ook de fout verdubbeld worden
- het vermogen iets kleiner zijn dan de helft
Normen over stroomtransformatoren
Volgens IEC
Stroomtransformatoren vallen onder de bevoegdheid van TC38 van het IEC in de 61869-serie die de vroegere 60044-serie vervangt.
- IEC 61869-1:2023 Instrument transformers - Part 1: General requirements
- IEC 61869-2:2012 Instrument transformers - Part 2: Additional requirements for current transformers
- IEC 61869-3:2011 Instrument transformers - Part 3: Additional requirements for inductive voltage transformers
- IEC 61869-4:2013 Instrument transformers - Part 4: Additional requirements for combined transformers
- IEC 61869-5:2011 Instrument transformers - Part 5: Additional requirements for capacitor voltage transformers
- IEC 61869-6:2016 Instrument transformers - Part 6: Additional general requirements for low-power instrument transformers
- IEC 61869-9:2016 Instrument transformers - Part 9: Digital interface for instrument transformers
- IEC 61869-10:2017 Instrument transformers - Part 10: Additional requirements for low-power passive current transformers
- IEC 61869-11:2017 Instrument transformers - Part 11: Additional requirements for low power passive voltage transformers
- IEC 61869-13:2021 Instrument transformers - Part 13: Stand-alone merging unit (SAMU)
- IEC 61869-14:2018 Instrument transformers - Part 14: Additional requirements for current transformers for DC applications
- IEC 61869-15:2018 Instrument transformers - Part 15: Additional requirements for voltage transformers for DC applications
- IEC 61869-99:2022 Instrument transformers - Part 99: Glossary
- IEC TR 61869-100:2017 Instrument transformers - Part 100: Guidance for application of current transformers in power system protection
- IEC TR 61869-102:2014 Instrument transformers - Part 102: Ferroresonance oscillations in substations with inductive voltage transformers
- IEC TR 61869-103:2012 Instrument transformers - The use of instrument transformers for power quality measurement
Volgens enkele andere standaard organisaties
- IEEE Std C57.13-1993: IEEE Standard requirements for Instrument transformers
- Canada CAN3-C13-M83: Instrument transformers
- Australia AS 1675 Current transformers - Measurement and protection
- British Standard BS3938 Specifications for Current Transformers (Vervallen en vervangen door IEC 61869)
Kalibreren van stroomtransformatoren
Een stroomtransformator is een passief element. De vraag kan dan ook worden gesteld of dit passieve element periodiek moet worden gecontroleerd, of anders gezegd, met een bepaalde regelmaat moet worden gekalibreerd.
Zowel protectie- als meettransformatoren zijn bedoeld om aan de secundaire zijde een meetbare stroom te genereren. Vooral meettransformatoren moeten hierbij aan een grote nauwkeurigheid voldoen omdat ze veelal worden gebruikt in installaties ter verrekening van de verbruikte energie. Een te grote afwijking heeft dan grote gevolgen, waarvan de meest voor de hand liggende van financiële aard is.
Dit is dan ook een reden dat transformatoren aan een bepaalde nauwkeurigheidsklasse moeten voldoen en kalibratie (ijken) wordt vereist voordat ze in gebruik worden genomen. Gebruikscondities, omgevingscondities en/of eisen gesteld in een kwaliteitssysteem zijn hierna bepalend voor de herkalibratietermijn.
De termen kalibreren, ijken en justeren zorgen nogal eens voor verwarring. Daarom een kleine toelichting hierop.
- Kalibreren: hieronder verstaan we het bepalen van de fout/miswijzing van een instrument en deze wordt getoetst aan de specificaties zoals die door de fabrikant zijn opgegeven voor dit instrument of de eisen die door de gebruiker hieraan worden gesteld.
- IJken: is in feite hetzelfde. Deze term wordt vooral bij mechanische meetmiddelen gebruikt. Wanneer een instrument of medium niet aan de specificaties voldoet wordt deze direct gejusteerd zodat deze hier wel weer aan voldoet. Als beste voorbeeld kunnen we hier noemen het ijken van gewichten. Is de kilo geen kilo meer dan wordt dit gewicht, veelal door het toevoegen van gewicht, weer binnen de specificaties gebracht.
- Justeren: wanneer een instrument een waarde aangeeft buiten de toelaatbare grenzen deze weer zo inregelen, dat de weergegeven waarde weer aan de door de fabrikant of gebruiker opgegeven specificaties voldoet.
In de elektrotechniek wordt de term ijken al sinds jaren niet meer gebruikt en is vervangen door de term kalibreren. In de volksmond blijft de term ijken echter voortbestaan.
Dan nu terug naar het kalibreren van stroomtransformatoren en de eventuele herkalibratietermijn. Als gebruiker van een stroomtransformator wil men er zeker van zijn dat deze aan een bepaalde nauwkeurigheid voldoet. Het is daarom dat de stroomtransformator moet worden gekalibreerd, voordat deze wordt ingebouwd. Veelal doet de fabrikant dit zelf en wordt een kalibratie- of afnamerapport toegevoegd bij aflevering. Maar dit kan ook worden uitgevoerd door een extern kalibratielaboratorium. Dan nu terug naar het kalibreren van stroomtransformatoren en de eventuele herkalibratietermijn. Als gebruiker van een stroomtransformator wil men er zeker van zijn dat deze aan een bepaalde nauwkeurigheid voldoet. Het is daarom dat de stroomtransformator moet worden gekalibreerd, voordat deze wordt ingebouwd. Veelal doet de fabrikant dit zelf en wordt een kalibratie- of afnamerapport toegevoegd bij aflevering. Maar dit kan ook worden uitgevoerd door een extern kalibratielaboratorium. Wanneer de transformator hierna volgens de specificaties wordt ingebouwd, kan er weinig fout gaan. Mits natuurlijk de juiste stroomtransformatoren worden gebruikt en deze juist worden belast.
Wanneer een stroomtransformator herleidbaar naar een nationale en/of internationale standaard moet worden gekalibreerd, zal deze moeten worden gekalibreerd door een geaccrediteerd kalibratielaboratorium. Voor Nederland is dit een laboratorium met een RVA-erkenning (erkenning van de Raad Voor de Accreditatie). Deze kalibratie wordt meestal uitgevoerd zoals vermeld in internationale norm IEC 60044.
De gebruiker bepaalt dus of de gebruikte stroomtransformatoren worden gekalibreerd. Wordt hiervoor gekozen, dan is het raadzaam dit vast te leggen in een kwaliteitssysteem. Het kan echter ook zo zijn dat de afnemer van stroomtransformatoren dit vereist in een kwaliteitssysteem van zijn bedrijf. Is er een kwaliteitssysteem aanwezig, dan moet hierin ook een herkalibratietermijn worden aangegeven.
Als standaardregel worden stroomtransformatoren die onderdeel uitmaken van een kwaliteitssysteem, iedere 5 jaar gekalibreerd. Worden transformatoren intensief gebruikt, waarbij ze ook mechanisch worden belast, dan is het raadzaam en wenselijk deze kalibratietermijn te verkorten tot 3 of zelfs 1 jaar.
De gebruiker is dus zelf verantwoordelijk voor deze termijn - die 1, 3, 5 of 10 jaar kan zijn, of alleen voorafgaande bij plaatsing - maar moet zich, eenmaal opgesteld, hier wel aan houden. Herkalibratie is dus afhankelijk van wat de gebruiker wil en mag volgens het kwaliteitssysteem.
Als toelichting hierbij nog vermeld: het gebruik van transformatoren in een testomgeving en/of laboratorium vergt vaak meer aandacht met betrekking tot de kwaliteit. Deze transformatoren worden vaak in allerlei omstandigheden gebruikt en hebben mechanisch ook veel te verduren, zijn ingebouwd in meetsystemen etc.
Tijdens het kalibreren van deze stroomtransformatoren komen toch nog weleens zaken aan de orde die terug te voeren zijn op de kwaliteit van de gebruikte stroomtransformator, een verkeerd gekozen secundaire belasting, mechanische beschadigingen hiervan of fouten binnen het gehele systeem waarvan deze transformator onderdeel uitmaakt. Worden stroomtransformatoren echter op de juiste wijze toegepast, dan zal na kalibratie blijken dat de meeste transformatoren nog altijd uitstekend functioneren.
Het bepalen van de overzetfout en de hoekfout
In het algemeen kunnen we zeggen dat de overzetverhouding van een stroomtransformator niet overeenkomt met de nominale overzetting, maar in een bepaalde mate daarvan zal afwijken. Deze afwijking noemen we de fout van de stroomtransformator, en voor de fabrikant is het de kunst om deze fout binnen gespecificeerde grenzen te houden. Deze grens wordt dus de klasse van een stroomtransformator genoemd.
De standaard nauwkeurigheidsklasse voor meettransformatoren zijn 0,1 – 0,2 – 0,5 – 1 – 3 of 5% (zie ook punt 4.1 Protectie-CT's en 4.2 Meet-CT's). Zowel de maximale overzetfout (ratio error) als de hoekfout (phase angle error) zijn hieraan gerelateerd.
Moet de te meten stroom over een groter belastingsgebied (werkgebied) met voldoende nauwkeurigheid inzetbaar zijn, dan kan voor meettransformatoren worden gekozen met een nauwkeurigheid klasse 0,2S en 0,5S. Bij deze transformatoren, bijvoorbeeld van klasse 0,2S moet de overzetfout bij 20% van de nominale stroom nog aan klasse 0,2 voldoen. (Zie hiervoor ook de nauwkeurigheidtabel bij 4.2 Meet-CT'). In de praktijk blijkt dat een goed geconstrueerde meettransformator hier ruimschoots aan voldoet.
Kalibratie van stroomtransformatoren wordt gedaan door deze te vergelijken met een standaard meettransformator met een te verwaarlozen overzet- en hoekfout. De vergelijking geschiedt door middel van een differentiaalmeting.
Principe differentiaalmeting
Een fout van een transformator kan worden gesplitst in twee componenten, te weten een component in fase met de primaire stroom – de zogenaamde overzetfout - en een component π/2 radialen uit fase met de primaire stroom; deze component bepaalt de zogenaamde hoekfout.
De fout van een stroomtransformator zal worden bepaald door een aantal factoren:
- De belasting van de stroomtransformator ()
- Spreiding en weerstand van de secundaire wikkeling van de stroomtransformator ()
- De afmetingen van de kern: de ijzerdoorsnede () en de gemiddelde weg, die de krachtlijnen in de kern afleggen()
- Het aantal windingen in de secundaire wikkeling ()
- De hoekfrequentie
- De permeabiliteit (μ) van het ijzer van de kern. Deze is een functie van de magnetiseringsstroom, waardoor de fout van een stroomtransformator zich wijzigt als functie van de belasting en de stroom.
De fout bestaat dus uit een reëel deel en een imaginair deel hetgeen resulteert in een overzetfout en een hoekfout en deze kan worden gemeten met bijvoorbeeld van een stroomtransformatormeetbrug (zie figuur...), een standaard stroomtransformator en een nulindicator. Hier volgt een korte beschrijving van een stroomtransformatormeetbrug, die werkt volgens het differentiaalprincipe. In feite geldt dit principe nog steeds echter wordt het tegenwoordig elektronisch ingesteld en gemeten.
De primaire wikkeling van de standaard stroomtransformator (N) wordt in serie geschakeld met de primaire wikkeling van de te kalibreren transformator (X). Hierbij moeten de N- transformator en de X- transformator, in principe natuurlijk wel dezelfde overzettingen hebben.
De secundaire wikkelingen van de N- en X- transformatoren worden aangesloten op de meetbrug, en wel zodanig dat het verschil van de secundaire stromen van N- en X- transformator door de weerstand gaat (als een secundaire wikkeling verkeerd aangesloten wordt, gaat de som van de secundaire stromen door , de ampèremeter Am is hiervoor een indicatie). De spanning over is een maat voor de fout van de X- transformator als we veronderstellen, dat de fout van de N- transformator te verwaarlozen klein is.
Externe link
- International Electrotechnical Commission Welcome to the IEC - International Electrotechnical Commission