Profielstaal


.jpg)
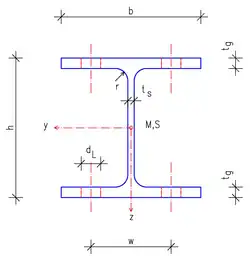
Profielstaal is een term voor een productgroep of halffabricaat gemaakt uit staal, maar ook voor een staafvormige bouwdeel uit deze groep. Profielstaal is een metaalspecifieke aanduiding voor een profiel. Staalprofiel daarentegen is een benaming voor zowel het bouwdeel als de verschillende doorsneden. Een staalprofiel is verkregen met walsen, rolvormen of extruderen en de afmetingen zijn vrijwel altijd genormeerd. Een profiel kan ook samengesteld worden uit verschillende staalprofielen door deze aan elkaar te lassen (een bijvoorbeeld is de plaatligger), te bouten of te klinken. Geklonken samengestelde liggers zijn vrijwel alleen nog bij oudere staalconstructies te zien. H-, I- en U-profielen hebben twee horizontale parallelle rechthoeken onder en boven die de flens genoemd worden, en de verticale rechthoek ertussen heet lijf.
Europese profielen
De maten en massa voor de hier weergegeven profielen zijn opgenomen in een Europese Norm, dat per land gepubliceerd wordt door de aangesloten nationale normalisatie-instituten. voor Nederlands is dat NEN EN 10365:2017 en[1], voor België is dat NBN EN 10365:2017. Deze norm is gebaseerd op de DIN-1025 serie. Deze is norm is teruggetrokken, de europsese norm DIN EN 10365:2017-05 wordt aanbevolen.[2]. De norm geldt niet voor roestvast stalen profielen.
I-profiel en H-profiel
Zoals de naam aangeeft, onderscheiden H-profielen zich van I-profielen door hun bredere flenzen. H- en I-profielen worden getypeerd door hun hoogte. Dit geldt in ieder geval voor de HEB-reeks. De HEA-reeks is 10 mm lager (HE200B = 200 mm hoog, een HE200A = 190 mm hoog, bij kleinere HEA-profielen is het verschil in hoogte kleiner); de HEM-reeks is hoger dan het typenummer aangeeft en is in veel gevallen ook iets breder. Bij het productieproces wordt gebruik gemaakt van dezelfde walsrollen tussen de flenzen voor de B-, A- en M-reeks, de walsrollen buiten de flenzen worden versteld in hoogte en breedte. Verder hebben H-profielen in vergelijking met I-profielen doorgaans dikkere flenzen en een dikkere verticaal (lijf) bij een gegeven hoogte. De binnenhoeken van alle profielen hebben een ronding (radius = r in de figuren), die per profiel verschillend is.
- I-profiel volgens EN 10365
- Smal I-profiel met schuine binnenvlakken van de flens (INP en J) - helling INP 14%
- Standaard I-profiel met parallelle binnenvlakken van de flens (IPE)
- Lichte uitvoering I-profiel (IPEA), niet genormeerd! - niet in de handel verkrijgbaar
- Breedflensprofiel - H-profiel volgens EN 10365
- Normale uitvoering (HEB-reeks of IPB). In de oude Duitse norm wordt dit profiel aangeduid als IPB en in veel tabellen van Duitse oorsprong ook zo genoemd.
- Lichte uitvoering (HEA-profiel of IPBl)
- Verzwaarde uitvoering (HEM-profiel of IPBv)
- Zeer lichte uitvoering (HEAA-profiel of IPBll) niet genormeerd! - niet in de handel verkrijgbaar
INP-profiel
IPE-profiel
HEA-profiel
HEB-profiel
HEM-profiel
U-profiel
- U-profiel volgens EN 10365
- U-profiel met schuine binnenvlakken van de flens (UNP) - helling tot profielhoogte 300mm 8%, daarboven 5%
- U-profiel met parallelle binnenvlakken van de flens (UPE of UAP en PFC)
T-, Z-, en L-profielen
- T-profiel met gelijkbenige en afgeronde kanten en overgangen volgens NEN EN 10055 - helling benen 2%
- Z-profiel rondkantig volgens DIN 1027
- L-profiel (hoekstaal) volgens DIN EN 10056-1
- gelijkzijdig hoekstaal, het liggende en staande been hebben dezelfde afmeting.
- ongelijkzijdig hoekstaal.
U(UNP)-profiel
UPE-profiel
T-profiel
Z-profiel
L-profiel, gelijkzijdig
L-profiel ongelijkzijdig
TH-profiel
Massieve profielen

- Hollandprofiel[3] (afgekort HP) of bulbstaal - veel gebruikt in de scheepsbouw als verstijver.
- Rondstaal
- Vierkantstaal
- Strip, is altijd een rechthoek
Damwandprofiel
- Damwandprofielen - veel gebruikt in de civiele techniek in grondkerende constructies.
- zwaar damwandprofiel (HP-profiel volgens EN 10365, niet verwarren met Holland profiel)
- licht damwandprofiel (Larssenprofiel, Z-profiel, U-profiel, plank profiel)
- damwandprofiel voor bijv. gevelbekleding is geen profiel zoals hier bedoeld. Het is gezet uit dunne, vlakke plaat.
Buisprofielen
- Buisprofiel - deze benaming wordt door fabrikanten zowel voor ronde en ovale als vierkante en rechthoekige holle doorsneden gebruikt. Wordt ronde buis bedoeld dan gebruikt men de term 'pijp' en in het geval van een vierkant of rechthoekig profiel de term 'kokerbalk'. Deze profielen voor constructieve toepassingen worden zowel warmgevormd volgens EN-10210 als koudgevormd volgens EN-10219. Er zijn ook andere toepassingen, zie buis.
- Buis of pijp - rond of ovaal, en hol
- Kokerprofiel - vierkant of rechthoekig, en hol
Speciale profielen
In veel gevallen gaat het hier om speciale toepassingen en/of zware belastingen. De profielen worden in Europa gemaakt volgens de eerder genoemde EN 10365, die voor deze profielen gebaseerd is op de Amerikaanse of Britse norm. Alle profielen met een (extra) brede flens.
- HL-profiel.
- HLZ-profiel met hoogte boven de 1075 mm
- HD-profiel, speciaal voor kolommen.
- HP-profiel 'bearing pile' met flens en lijf van gelijke dikte. In grote lengte verkrijgbaar. Speciaal voor damwanden. Niet verwarren met het hollandprofiel.
Met ander vormen en volgens andere normen:
- GI-profiel (Grubenausbau-I-profiel, DIN 21530), I-profiel met versterkte flens en overgang naar het lijf, speciaal voor de mijnbouw, in Nederland niet (meer) gebruikt.
- TH-profiel (Toussaint-Heintzmann-profiel) speciaal voor de mijnbouw, in Nederland niet (meer) gebruikt.
Levertijd
Voor de meeste profielen geldt dat ze in de handel verkrijgbaar zijn. IPEA, HEAA, UPE en de minder gangbare profielen zijn meestal niet op voorraad. Ze worden op verzoek gewalst, waarbij een minimum tonnage per profiel moet worden afgenomen en de levertijd afhankelijk is van het walsschema van de walserij.
Door de toenemende automatisering kunnen samengestelde profielen - voor I-/H-vormen plaatliggers genoemd, meestal uit plaat of strip - een alternatief bieden. Afmetingen kunnen vrij gekozen worden.
Railprofiel
Er zijn verschillende soorten toepassingen.
- Kraanbanen
- Het eenvoudigste type is vierkantstaal voor lichte kraanbanen.
- A-profiel
- Spoorstaven
Andere profielseries
Er zijn vele landen die eigen normen hebben voor profielen. De belangrijkste zijn wel de Britse en Amerikaanse profielen
- Britse H-, I- en U-profielen zijn ook opgenomen in EN 10365:2017 (vervallen: BS 4-1:2005), met afmetingen gebaseerd op het Brits-Amerikaans maatsysteem:
- I-profielen:
- J-profiel - Joist, een INP-profiel
- UB-profiel - Universal Beam, een I-profiel
- UC-profiel - Universal Column, een H-profiel
- UBP-profiel - Universal Bearing Pile, een H-profiel met gelijke flens en lijfdikten.
- CH-profiel - Channel, een U-profiel
- Equal en unequal angles, L-profielen wijken af van europese hoekstalen door hun op inches gebaseerde afmetingen.
- Bulb flats, ziet eruit als hollandprofiel
- I-profielen:
- Amerikaanse profielen volgens ASTM: ASTM A 6/A 6M, met afmetingen gebaseerd op het Brits-Amerikaans maatsysteem:
- S-profiel standaardprofiel, een INP-profiel.
- W-profiel breedflensprofiel, in deze serie lopen I- en H-profielen doorelkaar.
- C-profiel het Amerikaanse standaard U-profiel
- MC-profiel een U-profiel, dat in principe alleen op verzoek gewalst wordt.
Ander profielseries komen uit bijvoorbeeld Australië, Japan en Korea, over het algemeen gekende industrielanden.
Koudgevormde profielen
Koudgevormde profielen zijn gezet uit plaat en vallen buiten dit artikel.
Zie ook
- ↑ (en) NEN-EN 10365:2017 en. Warmgewalste U-profielen van staal, I en H profielstaal - Afmetingen en massa. NEN (1 januari 2017). Geraadpleegd op 3 november 2021.
- ↑ DIN 1025-2:1995-11. Warmgewalzte I-Träger - Teil 2: I-Träger, IPB-Reihe; Maße, Masse, statische Werte. Beuth publishing DIN (1995-11). Geraadpleegd op 3 november 2021.
- ↑ NEN, normen (1-feb-1997). Warmgewalst bulbplatstaal afmetingen en tolleranties op vorm, afmetingen en massa.. NEN-EN 10067:1997 nL 1997