Ladderdiagram

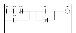
Voorbeeld van een ladderdiagram.

Een ladderdiagram is een schema van AND en OR schakelingen, die een logische schakeling weergeeft. Dit diagram wordt onder andere gebruikt voor het weergeven van schakelingen die door een PLC worden aangestuurd.

Functies

De AND functie (Logische conjunctie) wordt weergegeven door

--||----||--

twee schakelaars in serie.


De OR functie (Logische disjunctie) wordt weergegeven door

---|--||--|--
   |      |
   |--||--|

twee schakelaars parallel.

Zie ook