Buizenversterker
Een buizenversterker is een elektronische versterker opgebouwd rond transformatoren en elektronenbuizen. Een buizenversterker bestaat meestal uit een voeding, een voorversterker en een eindversterker.
Werking
- Het voedingsdeel bevat een voedingstransformator en een gelijkrichter die een gelijkspanning tussen ongeveer 300 en 800 volt voor de anodes van de buizen levert en een spanning van meestal 6,3 volt voor de gloeidraden van de buizen. De anodespanning wordt in sommige versterkers met een gelijkrichtbuis gelijkgericht.
- De voorversterker heeft naast aansluitingen voor apparatuur een volumeregeling en meestal ook een toonregelcircuit. De voorversterker bevat vaak drie buizen, meestal van het type (dubbel)-triode, om het ingangssignaal voldoende te versterken, zodat het aan de eindversterker kan worden aangeboden.
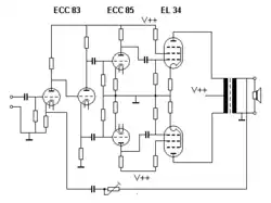
- De eindversterker of eindtrap wordt gevormd door een fasedraaier, twee, soms vier, en in een enkel geval acht vermogenseindbuizen en de uitgangstransformator. De vermogenseindbuizen zijn meestal pentodes of triodes. Bij zogenaamde single-ended versterkers, versterkers met één eindbuis, is er geen fasedraaier nodig. Vooral in hifi-apparatuur zijn in de schakeling van de eindversterker direct verhitte vermogenstriodes populair. Bij direct verhitte buizen dient de gloeidraad ook als kathode.
De fasedraaier, meestal ook een elektronenbuis van het type triode, zorgt ervoor dat het ingangssignaal uit de voorversterker op de juiste manier aan de eindbuizen wordt doorgegeven. De ene eindbuis krijgt het signaal in fase op zijn stuurrooster aangeboden, terwijl de andere het in tegenfase op zijn stuurrooster krijgt. Door de aanwezigheid van kathodeweerstanden wordt de kathode vanwege de buisstroom positief ten opzichte van het stuurrooster, dat via de (hoge) stuurroosterweerstand, de 'lekweerstand', aan massa ligt, waardoor de buis stabiel op een vaste ruststroom wordt ingesteld (negatieve voorspanning).
Als de ene eindbuis momentaan meer stroom gaat trekken doordat de stuurspanning stijgt, gaat de andere eindbuis momentaan minder stroom trekken doordat deze spanning evenveel daalt. Beide eindbuizen zijn in tegenfase. De eindbuizen staan in serie met de primaire wikkeling met middenaftakking van de uitgangstransformator. De stroom door de buizen loopt dus ook door de primaire wikkeling van de uitgangstransformator. Als de stroom in de ene helft van de primaire wikkeling van de uitgangstransformator toeneemt, neemt hij in de andere helft af. Hierdoor wordt het opgewekte magnetische veld versterkt en wordt er een spanning geïnduceerd in de secundaire wikkeling van de uitgangstransformator. Op deze wijze zijn de eindbuizen in balans[1] geschakeld, klasse A of klasse AB. Indien de eindtrap een vaste negatieve voorspanning op de stuurroosters krijgt, zodanig dat de positieve signalen door de ene buis lopen en de negatieve signalen door de andere buis, spreekt men van een eindtrap in klasse B.
De uitgangstransformator dient twee doelen:
- De eindbuizen moeten met een (hoge) gelijkspanning op de anodes worden gevoed. Deze hoogspanning wordt geleverd aan de middenaftakking van de primaire wikkeling. Op de stuurroosters van de eindbuizen staat de altijd wisselende stuurspanning, afkomstig van de fasedraaier. De daardoor steeds wisselende anode-gelijkstroom loopt door de primaire wikkelingen van de uitgangstransformator en geeft via de secundaire wikkeling een puur wisselstroomsignaal aan de luidsprekers af.
- Impedantieaanpassing: de meestal laagohmige luidsprekers worden door de transformator op de hoogohmige eindtrap aangesloten. Een uitgangstrafo kan de kleine stroom door de hoogohmige eindtrap omhoog transformeren naar een grote wisselstroom door de laagohmige luidsprekers. De secundaire wikkeling heeft meestal enkele aftakkingen, zodat er een uitgangsimpedantie gekozen kan worden die past bij de aangesloten luidspreker of luidsprekers. Die is in de regel 4, 6, 8 of 16 Ω.
Toepassingen
HIFI

In de audiowereld is er enig enthousiasme voor buizenversterkers. Met name wordt het nogal specifieke 'buizengeluid', een geluid dat minder scherp en fel overkomt dan van een versterker met transistors of MOSFET, door sommigen als 'natuurlijker' ervaren. Objectief gezien hebben transistor- of MOSFET-versterkers betere specificaties, zoals minder opgewekte tonen die niet in de geluidsbron voorkomen. Een transistorversterker kan lage frequenties, tot nagenoeg gelijkstroom, met zeer weinig vervorming tussen ingang en uitgang versterken, zij het alleen met forse tegenkoppeling. Een buizenversterker kan dat alleen als er speciale hoogohmige luidsprekers worden gebruikt, anders moet er een uitgangstransformator worden toegepast. Door het ontbreken van een uitgangstransformator hebben transistorversterkers in het lage en sublage deel van het frequentiespectrum een groot voordeel. Luidsprekers moeten in dit gebied door de versterker 'onder controle' worden gehouden. Met een bijzonder geringe uitgangsimpedantie van de eindtrap bij lage frequenties zorgt de tegen-EMK in de luidsprekerspoel voor demping. Doordat die demping door de uitgangstransformator van een buizenversterker enigszins wordt beperkt, zal de ene luidspreker slechter gaan klinken, maar kan het geluid van een andere luidspreker in de oren van een luisteraar beter overkomen. In principe zouden ook transistorversterkers met een lage luidsprekerdemping kunnen worden ontworpen. Dit gebeurt echter (vrijwel) nooit, omdat een hoge dempingsfactor als beter wordt beschouwd, dus ook vaak in de specificaties wordt vermeld.
- De stereo-eindversterker in de figuur heeft twee eindpentodes EL84 per kanaal. Het buisje tussen de twee uitgangstransformatoren is de indicatorbuis EM83, het 'magische oog', waarmee de mate van uitsturing van de eindversterkers zichtbaar wordt gemaakt. Deze versterker wordt gevoed door een externe, door halfgeleiders geregelde hoogspanningsvoeding.
- Een buizenversterkercombinatie uit de jaren 50 was de Engelse Quad Electroacoustics 22 voor- en II-eindversteker.
Muziek

Veel gitaristen en organisten zweren bij de klank van een buizenversterker, die volgens hen het geluid van een versterkte elektrische gitaar extra diepte geeft. De reden is meestal dat een buizenversterker doorgaans een hoger piekvermogen heeft dan een transistorversterker bij gelijk continu vermogen. De oorzaak van dat hogere piekvermogen is de voeding van buizenversterkers. Als er extra zware elco's, met veel capaciteit, in het hoogspanningsgedeelte van de voeding zijn geplaatst, kunnen de buizen in de eindtrap langer profiteren van een hoge anodespanning. Daardoor kan bij staccato-achtige geluidssignalen in relatief korte tijd veel vermogen aan de luidsprekers worden afgegeven.
Daarnaast geeft een buizenversterker extra timbre aan het geluid van een gitaar of orgel, als er bewust vervorming door oversturing wordt toegepast. Hierbij speelt enerzijds de in vergelijking met een transistorversterker geringere demping van de luidspreker in samenhang met de eindtrafo een rol, anderzijds verschilt het vervormingsgedrag van een buizenversterker sterk van dat van een transistorversterker. Een overstuurde, 'clippende' transistorversterker geeft een vervormd geluid dat de meeste mensen zeer onaangenaam vinden, terwijl een overstuurde buizenversterker een gecomprimeerd signaal geeft, dat als veel minder onaangenaam wordt ervaren. Juist dat gecomprimeerde, vervormde signaal spreekt veel gitaristen aan. In wezen worden er door de vervorming frequenties uit de harmonische boventoonreeks aan het geluid toegevoegd, afhankelijk van de mate van oversturing.
- voetnoten
- literatuur
- Electronica: dr. H. de Waard - RUG, Uitgevers-Mij: W. de Haan, Hilversum - MCMLVI; & 4e herziene druk: Zeist - 1966 (Catalogus Koninklijke Bibliotheek - geen ISBN)
- Elektronica: dr.ir. J. Davidse - THDelft, Collegedictaat - 1964, Spectrum, Grondslagen: 1969 en 4 dln. Utrecht - 1974/75, ISBN 90-274-7533-4 vv. Ibid. Delta Press: ISBN 90-6674-702-1
- Fundamentele versterkertechniek met elektronenbuizen: Rudolf Moers - Elektor International Media, Susteren - 2008; ISBN 978-90-5381-226-6
- Moderne High-End Buizenversterkers 2: ir. Menno van der Veen - Uitgever Segment Beek (L) Elektuur, Zwolle - 2006; ISBN 90-5381-204-0